Sme tu pre Vás, opýtajte sa
Штангенциркуль мікрометр цифровий різьбовий 40 EWRi-V 0 – 25 мм MAHR
Názov SK:
Strmeňový mikrometer digitálny závit 40 EWRi-V 0 – 25 mm MAHR
Na objednávku
(na externom sklade)
- Doprava od 3,50 €
- Pri nákupe: nad 150 € doprava zadarmo!
- Zdieľajte produkt priateľom
Цифровий штангенциркуль-мікрометр для вимірювання різьби з вбудованим бездротовим з’єднанням
Конструкція: Вимірювальний шпиндель з нержавіючої сталі, монтажний отвір для вимірювальних подовжувачів з хвостовиком Ø 3,5 мм, пофарбований сталевий штангенциркуль, попередньо зубчаста тріскачка, шпиндель, що не обертається, швидке налаштування QUICK DRIVE (5 мм на оберт) та термозахист руки. Висота цифр на РК-дисплеї 10 мм, передача даних через вбудовану радіосистему. Поставляється з батарейкою CR2032.
Функції: Автоматичне ввімкнення, перемикання мм/дюйм, блокування кнопки для встановлення нульового положення, відсутність необхідності скидання нуля після ввімкнення (абсолютна система), ABS (перемикання з відносного на абсолютне вимірювання), TOL (введення допусків та меж попередження), скидання (обнулення) можливе в будь-якому положенні, функція попереднього встановлення (попереднє налаштування діапазону вимірюваних значень), функція HOLD (збереження вимірюваного значення).
Виробник: Mahr GmbH, Carl-Mahr-Str. 1, 37073 Göttingen, DE, +49 551 7073 0, info@mahr.com
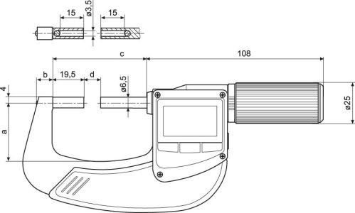
Digitálny strmeňový mikrometer na meranie závitov s integrovaným bezdrôtovým pripojením
Vyhotovenie: Meracie vreteno nehrdzavejúce, upínací otvor na meracie nadstavce so stopkou s Ø 3,5 mm , lakovaný oceľový strmeň, predradená račňa, nerotujúce vreteno, rýchle prestavenie QUICK DRIVE (5 mm na otáčku) a tepelná ochrana rúk. Výška číslic na LCD displeji 10 mm, dátový prenos pomocou integrovaného rádiového systému. Dodáva sa vrátane batérie CR2032. Funkcie: Automatické zapínanie, prepínanie mm/palec, blokácia tlačidla pre nastavenú nulovú polohu, po zapnutí nie je nutné znova nastaviť nulu (absolútny systém), ABS (prepnutie z relatívneho na absolútne meranie), TOL (zadanie hraníc tolerancie a hraníc výstrahy), resetovanie (vynulovanie) je možné v každej pozícii, funkcia preset (prednastavenie rozmedzia meranej hodnoty), funkcia HOLD (ukladanie nameranej hodnoty).
Hersteller: Mahr GmbH, Carl-Mahr-Str. 1, 37073 Göttingen, DE, +49 551 7073 0, info@mahr.com





