Sme tu pre Vás, opýtajte sa
- Код: 7438290009
- EAN: 4020772019501
Гідравлічний живильник без вирівнювача 25 – 30 бар AMF
Názov SK:
Podávač hydraulický bez vyrovnávacej jednotky 25 – 30 bar AMF
Na objednávku
(na externom sklade)
- Doprava od 3,50 €
- Pri nákupe: nad 150 € doprava zadarmo!
- Zdieľajte produkt priateľom
Подавач без компенсаційного блоку
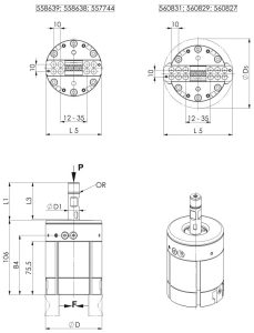
Конструкція: Макс. допустима швидкість: 20 [об/хв], підходить для кріплення Weldon та гідравлічного розтискного патрона. Розроблений для температур навколишнього середовища від 0° до 60° та транспортування заготовок вагою до макс. 8 кг. У комплект поставки входять три змінні ущільнення. Доступний у двох варіантах для розмірів заготовок до макс. 50 мм або макс. 70 мм.
Застосування: для обробки заготовок у верстатах. Подавач забезпечує повністю автоматичну зміну заготовок під час процесу обробки на верстаті. Він змінюється з інструментального магазину фрезерного верстата та дозволяє переміщувати заготовку між магазином деталей та затискним пристроєм. Керування здійснюється за допомогою охолоджувальної рідини, яка подається через шпиндель верстата. Подавач закривається гідравлічно, відкриття здійснюється за допомогою пружини.
Виробник: Andreas Maier GmbH & Co KG, Waiblinger Str. 116, 70734 Фелльбах, Німеччина, +4971157660, amf@amf.de
Podávač bez vyrovnávacej jednotky
Vyhotovenie: Max. prípustné otáčky: 20 [ot./min], vhodné pre upevnenie Weldon a hydraulické rozpínacie skľučovadlo. Dimenzované pre teploty prostredia 0° až 60° a prepravu obrobkov do max. 8 kg. V rozsahu dodávky sú tri náhradné tesnenia. V ponuke v dvoch vyhotoveniach pre veľkosti obrobkov do max. 50 mm, resp. max. 70 mm. Použitie: na manipuláciu s obrobkom v obrábacom stroji. Podávač realizuje plne automatickú výmenu obrobku počas procesu obrábania na obrábacom stroji. Vymieňa sa zo zásobníka nástrojov frézy a umožňuje manipuláciu s obrobkom medzi zásobníkom dielov a upínacím zariadením. Ovládanie sa uskutočňuje chladivom, ktorý sa privádza cez vreteno stroja. Podávač zatvára hydraulicky, otváranie sa uskutočňuje pomocou pružiny.
Hersteller: Andreas Maier GmbH & Co KG, Waiblinger Str. 116, 70734 Fellbach, DE, +4971157660, amf@amf.de| Prevádzkový tlak P min. | |
|---|---|
| Prevádzkový tlak P max. | |
| Zdvih | |
| Roztiahnutie podávača | |
| Uchopovacia ila F | |
| Hmotnosť | |
| Názov značky | |
| Názov výrobcu | |
| Číslo položky výrobcu | |
| WGNr. |





